| |
| |
| Часть нити удалена модератором |
| 3.9, Аноним (9), 12:04, 16/03/2026 [ответить]
| +5 +/– |
Столетняя война и Реконкиста передают привет.
| | |
|
| 2.25, Bob (??), 13:13, 16/03/2026 [^] [^^] [^^^] [ответить]
| –12 +/– | |
это для хомячков, актуальное в пару раз дешевле и ~50км было раньше на фронте. Вполне себе опенсурс)
сейчас же в ход пошли глушилки и дроны по оптике
Короче: проджект с новости - чисто баловство. Допилят до 100км - даже чисто вдоль границы смысл ставить будет.
| | |
| |
| 3.70, Аноним (70), 14:36, 16/03/2026 [^] [^^] [^^^] [ответить]
| +7 +/– |
BBC Micro, ZX Spectrum ... Arduino и т.п. - всё это баловство позволило вкатится огромному количеству энтузиастов
| | |
| |
| 4.101, Аноним (101), 17:36, 16/03/2026 [^] [^^] [^^^] [ответить]
| +1 +/– |
Вообще то этот "радар" следует сравнивать в лучшем случае с калькулятором (даже не програмируемым) : эмуляция древних технологий (40х годов) на современной элементной базе . Понятно , что коментирующие "не в теме" , но ясно же написано что "для проведения экспериментов" . Конструкторам такие "эксперименты" не нужны - следует читать "для развлечения" .
| | |
| |
| 5.144, Аноним (144), 21:27, 16/03/2026 [^] [^^] [^^^] [ответить]
| +2 +/– |
В 40-е ещё фазированных решёток не было. Длины волн в тех радарах были метровые, потому что. Следовательно, размеры таких решёток были бы нешутошные. Например, британский радар, который довольно успешно засекал Люфтваффе над Ламаншем, работал на 26 МГц.
| | |
| |
| 6.158, Аноним (158), 06:50, 17/03/2026 [^] [^^] [^^^] [ответить]
| +/– |
"Эмуляция на современной элементной базе" - для вас непереводимо ? А конкретно это делает то же , что и радиодальномер на германских ночных истребителях .
| | |
|
|
| 4.112, Bob (??), 18:33, 16/03/2026 [^] [^^] [^^^] [ответить]
| –3 +/– | |
3км за 5к $ тебя в землю вкатает fpv'шкой, менее чем за минуту. За эти бабки уже глушилка будет)
Можно на спецфорумах и группах глянуть что и за какие деньги собирают уже сейчас, а не лепить о "вкатиться".
Давай ещё малинку вспомним, которая первые несколько версий подсадила лапухов, а потом доить начала. А как аналоги появились (тот же orange pi) - то носом воротить снобы начали.
| | |
| |
| 5.175, Аноним (175), 11:14, 17/03/2026 [^] [^^] [^^^] [ответить]
| +4 +/– |
У тебя какая-то нездоровая фиксация на fpv-шках. Уже куча сообщений про одно и то же. Не надоело?
| | |
| |
| 6.179, Аноним (179), 14:20, 17/03/2026 [^] [^^] [^^^] [ответить]
| +/– |
> У тебя какая-то нездоровая фиксация на fpv-шках. Уже куча сообщений про одно
> и то же. Не надоело?
Может чел оттуда.
В смысле не пишет (пишет он с дивана), а вернулся.
Обычно оттуда приезжают покалеченные или физически, или еще и на всю голову.
| | |
|
|
|
| 3.73, аврварвар (?), 15:05, 16/03/2026 [^] [^^] [^^^] [ответить]
| +1 +/– |
Для военных смысла нет. А вот для нужд ГО (подать сигнал тревоги на каком-нибудь заводе хотя бы за 2-3 минуты до прилёта) хватит и 20 км.
| | |
| 3.88, Товарищ майор (??), 16:26, 16/03/2026 [^] [^^] [^^^] [ответить]
| +7 +/– |
Тут главное не сказано - дальность обнаружения чего? Дальность обнаружения Ту-160? Или дальность обнаружения бейсбольного мяча?
Поэтому вот эти вот 3, 20, 50, 100 км - полная фигня.
Если речь об обнаружении FPV-дрона, то и 500 метров - офигенная дальность.
| | |
| |
| |
| 5.95, Аноним (95), 17:05, 16/03/2026 [^] [^^] [^^^] [ответить]
| +2 +/– | |
> А не будет ли он свистеть на каждую ворону?
Будет.
Для фильтрации ложных сигналов нужно хорошее R&D и софт.
Сомнительно, что в репе оно такого уровня.
| | |
| |
| 6.201, Скотобаза (?), 17:05, 18/03/2026 [^] [^^] [^^^] [ответить]
| +/– |
Для дронов даже Афар и лчм не нужны. Нужно целеуказание чтоб автоматика по долгу из дробовика шмальнула например
| | |
|
|
|
| 3.202, ptr (ok), 17:13, 18/03/2026 [^] [^^] [^^^] [ответить]
| +/– |
При чём тут фронт? Для местного аэродрома 20 км за глаза хватит для диспетчеризации легкомоторной авиации.
Ну и как бортовой радар для легкомоторной авиации может оказаться приемлемым даже за $5000.
| | |
| |
| 4.203, Аноним (203), 17:26, 18/03/2026 [^] [^^] [^^^] [ответить]
| +/– |
Кто разрешит поставить на местный аэродром несертифицированную хтонь?
Чтобы она какой-то самолет заглушила помехами?
Для легкомоторной авиации тот же вопрос.
| | |
| |
| 5.204, ptr (ok), 19:12, 18/03/2026 [^] [^^] [^^^] [ответить]
| +/– |
> Кто разрешит поставить на местный аэродром несертифицированную хтонь?
> Для легкомоторной авиации тот же вопрос.
Кто запретит? Ни для местного аэродрома, ни для легкомоторной авиации радары не предусмотрены.
> Чтобы она какой-то самолет заглушила помехами?
Полоса частот 10000-10500 МГц может использоваться любительской службой. По крайней мере в РФ.
| | |
| |
| 6.205, Аноним (205), 19:18, 18/03/2026 [^] [^^] [^^^] [ответить] | +/– | Это понятно Но просто поставить штуку, которая излучает в общем случае без разр... большой текст свёрнут, показать | | |
| |
| 7.213, ptr (ok), 09:08, 19/03/2026 [^] [^^] [^^^] [ответить]
| +/– |
> Но просто поставить штуку, которая излучает в общем случае без разрешений нельзя.
Разрешение на использование частоты. Но сертификаций никаких никто тут не требует.
Так как диапазон доступен на вторичной основе, то не выдать разрешение могут только в том случае, если он будет в этом месте кому-то мешать. Но половина гигагерца - весьма широкий диапазон и свободную частоту в нем можно найти почти всегда.
А то, что этот диапазон доступен для любительских служб, Вы и сами процитировали.
| | |
| |
| |
| 9.221, ptr (ok), 08:50, 22/03/2026 [^] [^^] [^^^] [ответить] | +/– |  А мы говорим о любительском использовании Так в статье речь не о производстве и... текст свёрнут, показать | | |
|
|
|
|
|
|
|
|
| 1.3, Аноним (-), 11:38, 16/03/2026 [ответить] [﹢﹢﹢] [ · · · ]
| –1 +/– |
Ммм... актуальная разработка, что тут скажешь, с руками оборвут на половине глобуса!
| | |
| |
| 2.171, Аноним (158), 07:22, 17/03/2026 [^] [^^] [^^^] [ответить]
| +/– |
На "половине глобуса" настолько богатые студенты для подобного учебного пособия ? А именно им поделка и является . Не всё радар , что им обозвано . :)
| | |
| 2.214, INSANEWAVE (ok), 10:19, 19/03/2026 [^] [^^] [^^^] [ответить]
| +/– |
Я удивлён какое усиленное лобовое бронирование у форумчан что они твоего сарказма не разглядели и даже минусов успели навлеплять...
| | |
|
| |
| |
| 3.56, Аноним (-), 14:04, 16/03/2026 [^] [^^] [^^^] [ответить]
| +/– | |
> Осталось лицензию OpenWar придумать.
WTFPL бери. Все равно все будут делать - это. Так что какая разница, так хоть честно написано что и как.
| | |
|
| |
| 3.62, Аноним (-), 14:10, 16/03/2026 [^] [^^] [^^^] [ответить]
| +/– |
>> открытые
> не только open, но и free!
Чтобы вот именно free, "as in beer" - как говорится, "приди и возьми" :)
| | |
|
| 2.15, Аноним (-), 12:29, 16/03/2026 [^] [^^] [^^^] [ответить]
| +1 +/– | |
> Ждем открытый танк, открытую ракету, открытые дроны.
Вообще-то ArduPilot AFAIK таки - пошел в массы. Потому что дешево и сердито. Добро пожаловать в дивный новый мир.
| | |
| 2.54, Проходил мимо (?), 14:01, 16/03/2026 [^] [^^] [^^^] [ответить]
| +/– |
Вот открытая и дешевая хреновина для ПВО от дронов сейчас была бы очень актуальной.
Я уверен, что любой адекватный директор/собственник завода захочет такое себе купить как только оно появится на рынке.
| | |
| |
| 3.59, пох. (?), 14:08, 16/03/2026 [^] [^^] [^^^] [ответить]
| –1 +/– | |
ты главное сам не ходи потом мимо того завода. А то и адекватному директору прилетит, и ты заодно кверху брюхом всплывешь.
| | |
| 3.63, тоже Аноним (ok), 14:11, 16/03/2026 [^] [^^] [^^^] [ответить]
| –1 +/– |
Для кого - актуальной? Для тех, кто закупает - ни в коем случае, им откатывать не с чего будет.
А для простого населения - ну, попробуй попосылать локационные сигналы на 20 км без регистрации в органах... Сразу секундомер поставь, узнаешь, через сколько тебя запеленгуют и возьмут за твой опенсорс.
| | |
| |
| 4.74, аврварвар (?), 15:13, 16/03/2026 [^] [^^] [^^^] [ответить]
| +/– | |
Не для "простого населения", а для руководства более-менее ценных объектов (заводов, электростанций), куда с достаточной (для принятия мер по ГО) вероятностью может прилететь.
У такого руководства обычно налажено "взаимопонимание" с органами.
| | |
| |
| |
| 6.91, аврварвар (?), 16:47, 16/03/2026 [^] [^^] [^^^] [ответить]
| +/– | |
Ну, проведут тендер, победит кто нужно.
И будет не DIY, а какая-нибудь фирма (сына какого-нибудь министра/губернатора) наладит производство "народных радаров с автоматическосиреной тревоги".
| | |
| |
| 7.94, тоже Аноним (ok), 16:58, 16/03/2026 [^] [^^] [^^^] [ответить]
| +1 +/– |
> И будет не DIY, а какая-нибудь фирма (сына какого-нибудь министра/губернатора) наладит
> производство "народных радаров с автоматическосиреной тревоги".
И на кой ляд этому сынку поставлять - дешевый товар? См. выше.
Закуп готового в Китае, переклейка шильдиков, бабло в карман. Производить еще какую-то хрень. Зачем?
| | |
|
| 6.159, Смузихлеб забывший пароль (?), 06:55, 17/03/2026 [^] [^^] [^^^] [ответить]
| +/– |
Дело не в самоделках, а в сертификации и прочих "радостях" разного оборудования. Ну спаял кто-то что-то и не за бесплатно ибо микросхемы денег стоят
Какие у этого изделия гарантии хоть каких-то параметров в каких-то погодных условиях и в течение хоть какого-то срока и стабильность/повторяемость результатов ? И кто по случаю чего будет крайним ?
| | |
| |
| 7.172, тоже Аноним (ok), 09:36, 17/03/2026 [^] [^^] [^^^] [ответить]
| +/– |
> Какие у этого изделия гарантии хоть каких-то параметров
У этого изделия нет заинтересованных в его производстве. Остальное - неважно. Можно вложиться в доработку, сертификацию... но пока проще и выгоднее барыжить китайпромом - это все бла-бла, и только.
| | |
|
|
|
|
|
| 2.107, Аноним (107), 18:17, 16/03/2026 [^] [^^] [^^^] [ответить]
| +/– | |
> открытую ракету
Уже. Стоимость в районе $90. Всё тот же STM32. Всех, кто покупает больше 2 штук STM32 берут за карандаш.
| | |
| |
| |
| 4.149, Аноним (149), 22:51, 16/03/2026 [^] [^^] [^^^] [ответить]
| +/– |
Вот ещё опечатка в тексте новости: "Gerber-фалы для изготовления плат". 🤣
| | |
|
| 3.138, Аноним (-), 20:34, 16/03/2026 [^] [^^] [^^^] [ответить] | +/– | Управление на минималках - даже на x51 можно наверное сделать, учитывая на каком... большой текст свёрнут, показать | | |
| |
| 4.181, Марин (?), 15:25, 17/03/2026 [^] [^^] [^^^] [ответить]
| +/– |
Ну если сверхзвуковая, то наверное даже мало вычислительной мощности будет.
| | |
|
|
| 2.114, Bob (??), 18:39, 16/03/2026 [^] [^^] [^^^] [ответить]
| +1 +/– | |
Тут если конкретику дать - ответы трут)
200 км/ч, от 90$ DIY, дальность 50+ км, вес 600-700г, полезная нагрузка до 1400г. В открытом виде есть давно)
Самолетные дроны на турбинах в разы дороже, но параметры как у ракет.
Концепция танков претерпела крах в 2022-2023 годах. Только малые пехотные группы)
| | |
| |
| 3.130, Аноним (130), 19:25, 16/03/2026 [^] [^^] [^^^] [ответить]
| +/– | |
> Концепция танков претерпела крах в 2022-2023 годах. Только малые пехотные группы)
Это те самые которые дохнут от тех же дронов?
И которые не эвакуируют раненых, так как если их там пять тел, то ранение даже двух уже критично?
Звучит как "заваливание мясом, но мелкими кусочками"))
| | |
|
|
| 1.12, Аноним (12), 12:25, 16/03/2026 [ответить] [﹢﹢﹢] [ · · · ]
| +1 +/– |
Хм, проект интерсный, но боюсь за применение будут жестко нагибать.
Т.к cpaть в эфир на лицензируемых частотах просто так не выйдет.
Перспективнее была бы пассивная система.
Может кому-то попадались подобные проекты?
| | |
| |
| 2.14, Аноним (14), 12:27, 16/03/2026 [^] [^^] [^^^] [ответить]
| +1 +/– |
На этих частотах затухание в пределах прямой видимости и узкая ДН. Другой вопрос, что такая штука привлекает внимание чисто визуально.
| | |
| 2.16, Аноним (14), 12:31, 16/03/2026 [^] [^^] [^^^] [ответить]
| +1 +/– | |
> Перспективнее была бы пассивная система.
Может кому-то попадались подобные проекты?
Да, были такие проекты еще лет 15 назад. За основу бралось излучение геостационарных спутников. Можно найти, если порыться на форуме radioscanner.
| | |
| 2.17, Аноним (-), 12:31, 16/03/2026 [^] [^^] [^^^] [ответить]
| +/– | |
> Т.к cpaть в эфир на лицензируемых частотах просто так не выйдет.
Когда тебя интересуют такие штуки - у тебя скорее всего есть под боком более ощутимые угрозы чем кто-то когда-то может быть нагнет. Если выбор между тем что может быть когда-то нагнут или допустим дроны превратят тебя в фарш - что же выбрать?!
| | |
| |
| 3.27, Аноним (-), 13:19, 16/03/2026 [^] [^^] [^^^] [ответить]
| +1 +/– |
Не так.
Есть достаточное кол-во гиков-аyтистов в развитых странах в которых сейчас никаких дронов нет.
Недавно деда из чикаго судили.
Его раздражали разговоры соседей по вагону метро и вместо того чтобы купить беруши или наушники с шумодавом, он сделал глушилку.
А сколько "просто шизиков" будут строить подобные девайсы чтобы "искать НЛО", "следить за голубями шпионами" и так далее ведь "правительство скрывает!!!"
| | |
| |
| 4.28, Аноним (9), 13:23, 16/03/2026 [^] [^^] [^^^] [ответить]
| +1 +/– |
Для поиска каких-либо сигналов достаточно дешёвого Software Defined Radio, например RTL-SDR.
| | |
| |
| 5.64, Аноним (64), 14:18, 16/03/2026 [^] [^^] [^^^] [ответить]
| +/– | |
> Но голуби-шпионы - это не выдумка.
Имено поэтому тебе нужен радар, чтобы отслеживать их!
Поблагодори сообщество и беги закупать компоненты.
Лучше в разных магазинах, чтобы было не так паливно.
| | |
| 5.120, Аноним (-), 19:01, 16/03/2026 [^] [^^] [^^^] [ответить]
| +/– | |
На самом деле это ловушка, фальшивка, honeypot.
Настоящие шпийоны — это высокоинтеллектуальные существа... Вороны, сороки, галки (чисто на подхвате).
| | |
|
| 4.51, Аноним (-), 13:58, 16/03/2026 [^] [^^] [^^^] [ответить] | +/– | Дед ничерта не понимал в борьбе с п сами Надо было - EMP фигачить Произносиш... большой текст свёрнут, показать | | |
| |
| 5.72, Аноним (72), 15:05, 16/03/2026 [^] [^^] [^^^] [ответить]
| +/– | |
> Дед ничерта не понимал в борьбе с п...сами!
Поэтому он решил возглавить?
> Надо было - EMP фигачить.
Чтобы еще и электронику поезда вырубить? В котором вот прям сейчас едешь?
Генитальное решение!
> врубаешь без ложной скромности - магнетрон, или что там у кого. Хома идет покупать себе новый гаджет.
Дед едет в больничку доставать магнетрон из задницы.
> Главное во всей этой схеме - вовремя съе...ться и не быть опознанным.
После того как его стараниями отрубались звонки в полицию и скорую, искать его начали весьма активно.
| | |
| |
| 6.89, Аноним (-), 16:36, 16/03/2026 [^] [^^] [^^^] [ответить] | +/– | Если он попался - с планированием операций и реализацией у него явно не очень хо... большой текст свёрнут, показать | | |
| |
| 7.96, Аноним (96), 17:13, 16/03/2026 [^] [^^] [^^^] [ответить] | –1 +/– | Ну т е просто желание самоутвердиться, чтобы на мгновение забыть о своей ничтож... большой текст свёрнут, показать | | |
| |
| 8.105, Аноним (-), 18:00, 16/03/2026 [^] [^^] [^^^] [ответить] | +/– | Скорее желание напомнить некоторым господам что они в общественных местах - не о... большой текст свёрнут, показать | | |
| |
| 9.131, Аноним (-), 19:34, 16/03/2026 [^] [^^] [^^^] [ответить] | +/– | Если они не нарушают закон - то это твои проблемы Если нарушают - пусть их прив... большой текст свёрнут, показать | | |
| |
| |
| Часть нити удалена модератором |
|
| 10.151, Аноним (-), 23:55, 16/03/2026 [^] [^^] [^^^] [ответить] | +/– | В принципе, пуск магнетрона на пару секунд тоже ничего особо не нарушает ISM ди... большой текст свёрнут, показать | | |
| |
| 11.154, Аноним (154), 00:51, 17/03/2026 [^] [^^] [^^^] [ответить] | +/– | Это придется прокурору объяснять А теперь представь вагон, где у все есть девай... большой текст свёрнут, показать | | |
| |
| 12.174, Аноним (174), 10:44, 17/03/2026 [^] [^^] [^^^] [ответить] | +/– | Это в допущении что вообще проблему заметят, опознают и поймают ИМХО, для этого... большой текст свёрнут, показать | | |
| |
| 13.178, Аноним (179), 14:19, 17/03/2026 [^] [^^] [^^^] [ответить] | +/– | Опознают и поймают Если ты ездишь на работу каждый день, а не по праздникам То... большой текст свёрнут, показать | | |
|
|
|
|
|
|
|
|
|
|
|
| 2.79, Аноним (79), 15:20, 16/03/2026 [^] [^^] [^^^] [ответить]
| +/– |
Займите некоторую полосу в диапазоне WiFi-6: 5 или 6 ГГц. Можно в отмазку, что это, типа, MIMO WiFi.
| | |
| |
| 3.90, Аноним (-), 16:43, 16/03/2026 [^] [^^] [^^^] [ответить]
| +/– | |
> отмазку, что это, типа, MIMO WiFi.
MIMO - wifi. POPAL - ne wifi! Ну или на дроны эти отмазки действуют? :))
| | |
| |
| |
| 5.152, Аноним (-), 00:14, 17/03/2026 [^] [^^] [^^^] [ответить]
| +/– | |
> Это не для дронов, это для ГРЧЦ.
Я бы с такой вундервафлей дронов, пожалуй, больше боялся чем вон тех. Больно уж соблазнительно для дрона выглядит.
| | |
| |
| 6.176, аврварвар (?), 13:57, 17/03/2026 [^] [^^] [^^^] [ответить]
| +/– | |
Если дрон летит к другой цели, то вряд ли он будет отвлекаться на копеечный самодельный радар.
А если он летит сюда (и успешно прошёл все эшелоны ПВО), то он всё равно прилетит (но "объектовый" радар хотя бы предупредит за пару минут до прилёта и даст возможность укрыться).
| | |
| |
| 7.193, Аноним (-), 22:42, 17/03/2026 [^] [^^] [^^^] [ответить]
| +/– |
> А если он летит сюда (и успешно прошёл все эшелоны ПВО), то
> он всё равно прилетит (но "объектовый" радар хотя бы предупредит за
> пару минут до прилёта и даст возможность укрыться).
Эшелоны ПВО - это громко и пафосно звучит в теории. А на практике как показали натурные эксперименты - какая-нибудь пачка шахидобразных может испортить настроение кому угодно, а что помельче еще и на радаре не особо то светится к тому же.
| | |
| |
| |
| 9.220, Аноним (-), 21:31, 20/03/2026 [^] [^^] [^^^] [ответить] | +/– | На практике - малость погрызают даже, извините, в израиле Которые по ПВО дадут ... большой текст свёрнут, показать | | |
|
|
|
|
|
|
|
| 2.109, Аноним (107), 18:24, 16/03/2026 [^] [^^] [^^^] [ответить]
| +/– |
> Перспективнее была бы пассивная система.
> Может кому-то попадались подобные проекты?
Да, навалом. Нужен хороший SDR (4xMIMO) и достаточно мощная FM-радиостанция в районе. Гражданские и военные самолёты видно, с оговорками. Трафик на улице тоже, но с ещё большими оговорками. Но по факту, из практических применений только держать азимут на известные излучатели, но не в даунтауне где за небоскрёбами неба не видно и эхо со всех сторон.
| | |
| 2.161, Аноним (158), 07:00, 17/03/2026 [^] [^^] [^^^] [ответить]
| +/– |
В тех странах , где можно свободно купить необходимое железо (не только микросхемы) - нагибать не будут .
| | |
|
| 1.13, Аноним (14), 12:25, 16/03/2026 [ответить] [﹢﹢﹢] [ · · · ]
| +1 +/– |
Гораздо интереснее и практичнее был бы пассивный радар, который позволял бы отслеживать перемещение людей внутри квартиры с помощью их WiFi роутеров.
| | |
| |
| 2.19, Аноним (19), 12:34, 16/03/2026 [^] [^^] [^^^] [ответить]
| +1 +/– |
Не удивлюсь, если прилошение яндекс карт в паре с коколонкой алиса что-то подобное уже делает.
| | |
| |
| 3.61, пох. (?), 14:10, 16/03/2026 [^] [^^] [^^^] [ответить]
| –1 +/– |
а колонка ему зачем? В самом смартфоне же ж нормальный динамик. И даже отдельных прав не требует.
| | |
|
|
| |
| 2.31, Аноним (142), 13:36, 16/03/2026 [^] [^^] [^^^] [ответить]
| +3 +/– |
Да даже опен-лазерный принтер нету или опенс-сканер с длинным протяжным фотоэлементом.
| | |
| |
| 3.46, Аноним (64), 13:53, 16/03/2026 [^] [^^] [^^^] [ответить]
| –1 +/– |
Их нет потому что они не нужны.
Почему? Потому что можно купить лазерник за пару сотен баксов с заправкой картриджей.
Собирать такой дома - только ради удовольстия или по кричине приступа паранойи.
Денег и усилий будет потрачено на порядок больше.
А вот разница даже в 3-5 раз в пользу радара-самоделки уже звучит интересно.
| | |
| 3.52, Аноним (-), 14:01, 16/03/2026 [^] [^^] [^^^] [ответить]
| +/– | |
> Да даже опен-лазерный принтер нету или опенс-сканер с длинным протяжным фотоэлементом.
На самом деле есть ряд "смежных" проектов весьма близких к этому. Конструкция лазерника, кстати, ничего сложного из себя не представляет и воспроизвести вот именно фирмвар этого хозяйства - не есть какая-то проблема. Проблема - достичь параметры сравнимые с фабричными, все ж это годами до ума доводилось.
| | |
|
| 2.40, Bob (??), 13:46, 16/03/2026 [^] [^^] [^^^] [ответить]
| +/– |
Так эта игрушка чисто энтузиастам и в мирных целях) Иначе это счастье потушат fpv дроном за 100$. Сейчас в зоне действия этих радаров - самих операторов дронов выносят, kill zone даже больше
| | |
|
| 1.32, Аноним (32), 13:36, 16/03/2026 [ответить] [﹢﹢﹢] [ · · · ]
| +/– | |
> Затраты ... оцениваются приблизительно в 5000 долларов. Для сравнения стоимость коммерческих радаров того же класса начинается с 250 тысяч долларов.
Найдет применение в частных исследовательских компаниях для наблюдения за птицами, животными. В государственных не найдет - там чем дороже оборудование, тем лучше.
| | |
| |
| 2.34, Аноним (142), 13:39, 16/03/2026 [^] [^^] [^^^] [ответить]
| +/– |
Есть коммерческие радары, которые просто оценивают есть кто-то перед зданием или нет, например на парковке. Из главная цель наземные цели. И сабж ещё и дешёвый.
| | |
| 2.35, Аноним (32), 13:39, 16/03/2026 [^] [^^] [^^^] [ответить]
| +1 +/– |
Вывод сделан на основе анализа цен на ПО. Вместо использования отличного бесплатного ПО по анализу данных покупают за тысячи долларов коммерческое, к тому же считающее неправильно. Но это неважно.
| | |
|
| 1.33, Аноним (142), 13:37, 16/03/2026 [ответить] [﹢﹢﹢] [ · · · ]
| –3 +/– |
Компьютеры с графическим интерфейсом получили своё развитие лишь потому что они предназначались изначально для отображения информации с радаров.
| | |
| 1.39, Аноним (39), 13:45, 16/03/2026 [ответить] [﹢﹢﹢] [ · · · ]
| +1 +/– | |
>на расстоянии до 20 км
Очень мало. Разве что поиграться/потыкать палочкой. На практике - ни о чем (угрозы, тревоги, бпла...). Говорю из опыта.
| | |
| |
| 2.67, Аноним (67), 14:22, 16/03/2026 [^] [^^] [^^^] [ответить]
| +/– |
>на расстоянии до 20 км
>Очень мало. Разве что поиграться/потыкать палочкой. На практике - ни о чем.
Для частного катера/яхты - самое то что надо! Да еще по такой цене.
| | |
| |
| 3.164, Аноним (158), 07:04, 17/03/2026 [^] [^^] [^^^] [ответить]
| +/– |
Для частных катеров-яхт продаются (и регистрируются) нормальные радары , нет нужды в таких самоделках .
| | |
| 3.218, Аноним (218), 13:38, 20/03/2026 [^] [^^] [^^^] [ответить]
| +/– |
Если у вас есть яхта, то вы уже член элиты. И не будете ставить себе копеечную самоделку. Мало того, что это недостаточно понтово, так элита ещё и конкурентная среда, и там найдётся много желающих устранить конкурента, списав всё на несчастный случай по вине несертифицированной самоделки.
| | |
|
| 2.77, аврварвар (?), 15:18, 16/03/2026 [^] [^^] [^^^] [ответить]
| –2 +/– |
20 км - это, как минимум, минута дозвукового полёта. За минуту можно, услышав сирену, убежать в бетонную комнатушку.
| | |
|
| |
| 2.50, Аноним (32), 13:57, 16/03/2026 [^] [^^] [^^^] [ответить]
| +/– |
Нужно будет доказать безопасность для здоровья. Даже малая мощность при узком луче может быть опасной. Не хотелось бы на дороге под ними быть.
| | |
| |
| 3.71, Аноним (71), 15:04, 16/03/2026 [^] [^^] [^^^] [ответить]
| –2 +/– |
Может небезопасность для здоровья - это плюс, можно вызывать гаванский синдром? Если бы там частоты пониже были, то электроника от такой мощи выгорела бы, заметили бы гораздо раньше. По-видимому точно на человека нацеливали, а для этого нужна малая длина волны.
| | |
|
| |
| 3.111, Аноним (107), 18:29, 16/03/2026 [^] [^^] [^^^] [ответить]
| +/– |
Лидары, во-первых, значительно подешевели, во-вторых, всё ещё показывают значительно лучшие результаты в сравнении с "камерами и нейронками". На самом деле лучше, когда оба, но синхронизация всё портит.
| | |
| |
| 4.208, windows девяностодесять (?), 01:30, 19/03/2026 [^] [^^] [^^^] [ответить]
| +/– |
да вот фик знает. штраф пришёл - вот вы въезжаете в поле камеры, сотые секунды, вот вы уже тут, сотые секунды - делим расстояние на время и получаем скорость. 86км/ч. камера тупо на опасном перекрёстке, чекать кто пешеходов раскатывает
| | |
|
| 3.162, Аноним (162), 07:01, 17/03/2026 [^] [^^] [^^^] [ответить]
| +/– |
Речь не о лидаре, а о радаре. Том, что в адаптивном круиз-контроле используется. Даёт 3D картинку с дистанциями по углам не такого хорошего разрешения, как на оптике, но вполне достаточного, чтобы различать другие транспортные средства и строить их модели в виде коробок, зато сканирование чисто электронное, массовых лидаров на чипе на оптических решётках почему-то нет и нет, в FSD лидарах как использовали механическое, так и используют.
| | |
|
|
| 1.53, Аноним (32), 14:01, 16/03/2026 [ответить] [﹢﹢﹢] [ · · · ]
| +3 +/– | |
> обеспечивающих дальность действия до 3 км и 20 км
Параметры боевых радаром 30-40-х годов. Имели размеры с кунг (кабина) с антенной метров 10-30, перевозились на автомобилях или были стационарные.
| | |
| 1.75, Аноним (75), 15:16, 16/03/2026 [ответить] [﹢﹢﹢] [ · · · ]
| –1 +/– |
Он умеет на карте показывать объекты или вот только на этой 2д непонятной картинке с полосками? Где там, удаление, высота, азимут?
| | |
| |
| 2.78, аврварвар (?), 15:20, 16/03/2026 [^] [^^] [^^^] [ответить]
| +/– |
А зачем? Это же не для сбивания, а просто для оповещения. "Что-то появилось в небе недалеко от нас, срочно все бегите в убежище".
| | |
| |
| 3.102, нах. (?), 17:54, 16/03/2026 [^] [^^] [^^^] [ответить]
| +1 +/– |
> А зачем? Это же не для сбивания, а просто для оповещения. "Что-то
> появилось в небе недалеко от нас, срочно все бегите в убежище".
ноги сотрешь от каждой вороны бегать.
| | |
| |
| 4.117, Аноним (9), 18:51, 16/03/2026 [^] [^^] [^^^] [ответить]
| +/– |
А вон интересно, насколько сложно отличить в0рону/крупную птuцy от FPV-коптера на радаре?
| | |
| |
| |
| 6.128, Аноним (129), 19:22, 16/03/2026 [^] [^^] [^^^] [ответить]
| +/– |
Я тебе маленький секрет открою, только тссс, военная тайная. Ворону на расстоянии 20км нельзя засечь таким устройством в принципе.
| | |
|
|
|
|
|
| 1.83, Аноним (83), 15:45, 16/03/2026 [ответить] [﹢﹢﹢] [ · · · ]
| +2 +/– |
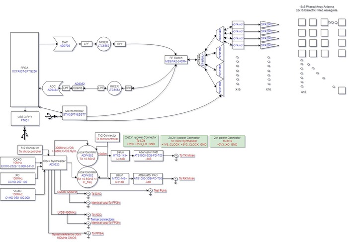
сразу даже не смотря скажу - хрень, надо минимум 64х64 причём это голодный минимум, а более менее это 128х128. Без специализированных дешевых заказных микросхем нереально. Потому нам нужны литографы а не обещания разработок.
| | |
| |
| 2.92, Аноним (-), 16:50, 16/03/2026 [^] [^^] [^^^] [ответить]
| +/– | |
> микросхем нереально. Потому нам нужны литографы а не обещания разработок.
Допустим у тебя есть литограф. И дальше - что? У тебя есть хотя-бы фаба выпускающая расходники? Или может - остальные машины и компоненты техпроцесса? Или что с сферическим литографом в вакууме делать потом?
| | |
| |
| 3.103, нах. (?), 17:55, 16/03/2026 [^] [^^] [^^^] [ответить]
| –2 +/– |
>> микросхем нереально. Потому нам нужны литографы а не обещания разработок.
> Допустим у тебя есть литограф. И дальше - что? У тебя есть
> хотя-бы фаба выпускающая расходники? Или может - остальные машины и компоненты
> техпроцесса? Или что с сферическим литографом в вакууме делать потом?
говорят, в Брянске что-то как раз такое было - и литограф, и печка выпекавшая кристаллы.
Но что-то на днях случилось там вроде... в общем, радар им не очень помог.
| | |
| |
| 4.106, Аноним (-), 18:10, 16/03/2026 [^] [^^] [^^^] [ответить]
| +/– |
> говорят, в Брянске что-то как раз такое было - и литограф, и
> печка выпекавшая кристаллы.
Там AFAIK только совсем примитивное добро было - с ним попроще. Впрочем после того что я видел - про техпроцессы в этйо локации придется забыть. Надолго, возможно - навсегда.
> Но что-то на днях случилось там вроде... в общем, радар им не очень помог.
А там радар был? Потому что работу ПВО никто и не заметил как раз.
| | |
| |
| 5.139, Аноним (139), 20:42, 16/03/2026 [^] [^^] [^^^] [ответить]
| –1 +/– | |
> Там AFAIK только совсем примитивное добро было
Не такое уж примитивное - MLA 150 Maskless Aligner.
Сами aнaлогoвнeтное осилить не смогли.
> А там радар был? Потому что работу ПВО никто и не заметил как раз.
ПВО было занято более насущными делами, чем какой-то заводик защищать.
Напр. постоять на Валдае :)
Вообще то что они транслировали видосить в риалтайме - это и ржака и позор одновременно.
| | |
| |
| 6.166, нах. (?), 07:14, 17/03/2026 [^] [^^] [^^^] [ответить]
| +/– | |
> Вообще то что они транслировали видосить в риалтайме - это и ржака
там дополнительная ржака - они его открыто транслировали. Т.е. все заинтересованные в интересном кино получили прямую трансляцию прямо с первоисточника.
А певео да, оно _уважаемых_ бережетъ (впрочем, перехватить то что туда прилетело оно вообще вряд ли способно. Жужу безобидную сбить, чтоб над видосиком потом не ржали - это могло.)
| | |
| |
| 7.173, Аноним (-), 10:10, 17/03/2026 [^] [^^] [^^^] [ответить]
| +1 +/– |
> там дополнительная ржака - они его открыто транслировали. Т.е. все заинтересованные в
> интересном кино получили прямую трансляцию прямо с первоисточника.
В смысле? В сети есть видосы прям с разведовательного дрона. Который нагло висел почти над локацией и вещал как штук 5 жирных ракет падает на крышу и что творится потом.
А в чем ржака? Завод ВЧ/СВЧ транзюки производил. Которые в рэбы и радары идут кроме всего прочего. Но сапожник оказался без сапог и поток с камеры какой-то фигни придушить - не, вы что. Это ж не телеграм какой! С РЭБ и ПВО тоже не задалось. А теперь - комплектуха для них видимо на деревьях будет расти, как булки.
| | |
|
|
|
|
|
|
| 1.137, Аноним (107), 20:22, 16/03/2026 [ответить] [﹢﹢﹢] [ · · · ]
| +/– |
Если кому неясно зачем это нужно, узнайте для саморазвития сколько стоит оборудовать радаром частный аэродром для малой авиации. И пока будете узнавать, заодно найдите и посмотрите на карту частных аэродромов в США. Если после этого останутся какие-то вопросы, сочувствую вашему отстутсвию фантазии.
| | |
| |
| 2.141, Аноним (142), 20:46, 16/03/2026 [^] [^^] [^^^] [ответить]
| +3 +/– |
Узнай что такое безопасность и сертификация. И не будешь говорить что эту васянскую чушь из новости всерьез будет кто-то использовать.
| | |
| |
| 3.184, Аноним (184), 17:46, 17/03/2026 [^] [^^] [^^^] [ответить]
| +/– |
Узнай, что такое частный аэродром в США. Потом обсудим кто тут чушь.
| | |
| |
| 4.188, Аноним (188), 17:59, 17/03/2026 [^] [^^] [^^^] [ответить]
| +/– | |
> Узнай, что такое частный аэродром в США. Потом обсудим кто тут чушь.
А ты почитай про FCC Regulation.
Или хотя бы вот это arrl.org/part-97-text
И уже потом будешь куракекать про частные аэродромы.
| | |
|
|
| 2.167, Аноним (158), 07:15, 17/03/2026 [^] [^^] [^^^] [ответить]
| +/– |
Сравните что может самый дешёвый НОРМАЛЬНЫЙ радар и эта игрушка для студиозусов - тогда и вспоминайте об аэродромах . Все читатели купились на слово радар , вместо внимательного изучения работы , и воображение разыгралось .
| | |
| |
| 3.185, Аноним (184), 17:47, 17/03/2026 [^] [^^] [^^^] [ответить]
| +/– |
После допила напильником разрулить одномоторные самолёты на фестивале в поле хватит. А о большем те ребята и не мечтают.
| | |
|
| 2.168, нах. (?), 07:18, 17/03/2026 [^] [^^] [^^^] [ответить]
| +/– |
> Если кому неясно зачем это нужно, узнайте для саморазвития сколько стоит оборудовать
> радаром частный аэродром для малой авиации.
там цена не радара а тех самых сертификатов. Ну и сканирующий аэродрому мало полезен, там радары с сопровождением объектов - чтоб можно было вовремя развести желающих встретиться где-та пасередине.
| | |
| |
| 3.183, Аноним (184), 17:45, 17/03/2026 [^] [^^] [^^^] [ответить]
| +/– |
Давно на частном аэродроме в США приземлялся? Я на прошлой неделе. Там из следящего оборудования только мужик с биноклем, блокнотом и ручкой. И два воки-токи: один с пилотом говорить, второй -- орать чтобы цессну с поля убрали. Какие сертификации, ты о чём? Это тебе не Европа и не пост-совок, где чтобы на три метра от земли подпрыгнуть нужно разрешение от еврокомиссии по подпрыгам получать. Заявительная система, PPL, и лети, сокол.
| | |
| |
| 4.187, Аноним (188), 17:54, 17/03/2026 [^] [^^] [^^^] [ответить]
| +/– |
И давно для установки радаров стала "Заявительная система"
То что "мужик с биноклем, блокнотом и ручкой" излучает только гордость за мурику и немного метана это понятно.
А вот не сертифицированный хлам фигачащий радиоизлучение куда бог пошлет может вызывать возбужение.
Например FCC у которое есть требование к Licensing и Regulations.
Возможно в какой-то cpake мира, реднек может поставить эту штуку и ему некоторое время ничего не будет.
Но это не точно.
| | |
| 4.194, Аноним (-), 23:10, 17/03/2026 [^] [^^] [^^^] [ответить]
| +/– |
> Давно на частном аэродроме в США приземлялся? Я на прошлой неделе. Там
> из следящего оборудования только мужик с биноклем, блокнотом и ручкой.
Однако с FCC штуку вещающую на лицензируемых частотах тебе все ж наверное придется согласовать как-то и получить лицензию? Или по какому FCC Rule это работать будет? Мужик с биноклем - в эфир радиоволны не вещает и потому он FCC похрену.
| | |
|
|
|
| 1.153, Аноним (153), 00:48, 17/03/2026 [ответить] [﹢﹢﹢] [ · · · ]
| +/– |
А есть такой же, но с перламутровыми пугови^W^W^W работающий в полностью пассивном режиме?
| | |
| |
| 2.155, Аноним (83), 01:42, 17/03/2026 [^] [^^] [^^^] [ответить]
| +1 +/– |
керберос/кракен SDR. Тарелка старлинка наверно очень близка к идеалу.
| | |
| |
| 3.169, нах. (?), 07:18, 17/03/2026 [^] [^^] [^^^] [ответить]
| +/– | |
> керберос/кракен SDR. Тарелка старлинка наверно очень близка к идеалу.
и ненужных поди по полям дофига валяется...
| | |
|
|
| 1.200, biundug (?), 16:36, 18/03/2026 [ответить] [﹢﹢﹢] [ · · · ]
| +/– |
Почти готовая тарелка для отслеживания спутников старлинка, маяковые сигналы принимать можно. :)
| | |
| |
| 2.215, Аноним (-), 12:19, 19/03/2026 [^] [^^] [^^^] [ответить]
| +/– |
> Почти готовая тарелка для отслеживания спутников старлинка, маяковые
> игналы принимать можно. :)
Немного не тот уровень технологий. Т.е. это очень сильно упрощенный диалект идеи. В тарелке старлинка набита куча заказных ASIC beamformer от STMicro. Проблемка только одна: это заказные чипы сделанные "специально для фирмы элонмаска". Достаточно большой кастомер чтобы STMicro развернулось персонально в его сторону и сделало - лично для него.
А вот где ты что-либо сравнимое возьмешь...
| | |
|
|